Descripción completa de objetos
Si un dibujo ha de ser completo, de tal manera que a partir del mismo se pueda hacer el objeto representado exactamente como lo proyectó el dibujante o el diseñador, debe decir dos historias completas. Las debe decir mediante (1) las vistas, que describen la forma del objeto y (2) las dimensiones y notas, dando tamaños y otra información de taller. El dibujo muestra al objeto en su estado completo y, tanto si las vistas se dibujan a tamaño natural o a escala, las dimensiones (las cotas) deben ser las reales del objeto acabado.
Líneas de centro
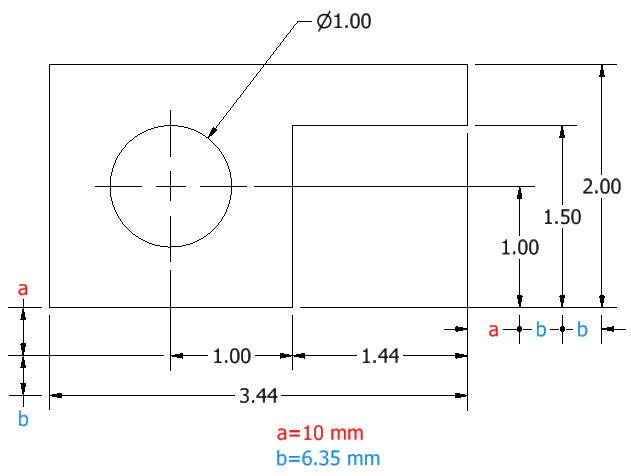
Las líneas de centro se emplean para indicar los ejes de simetría y en lugar de las líneas de extensión para localizar agujeros u otras características. Los extremos de las líneas de centro deben extenderse unos 6.35 mm (1/4 in) afuera del agujero o característica.
Contraste
Nótese el fuerte contraste entre las gruesas líneas visibles del dibujo y las delgadas líneas utilizadas en la acotación. Las vistas deben destacarse claramente de las acotaciones.
Líneas de extensión
Las líneas de extensión se "extienden" desde el objeto, con una pequeña separación de 1.5 mm (1/16 in) del mismo, y continúan hasta unos 3.17 mm (1/8 in) más allá de la punta de flecha más alejada.

Líneas indicadoras
Las líneas indicadoras son líneas rectas inclinadas (nunca verticales u horizontales) que se dibujan en ángulos de 30°, 45° y 60° con la horizontal, pero se pueden dibujar a cualquier ángulo conveniente (ver ejemplo en la cota del diámetro \(phi 1.00\) en la imagen anterior ). La parte inclinada de la línea indicadora se debe trazar de tal manera que si se la alargase pasaría por el centro del círculo.
Altura de los números
En todos los casos los números se hacen de 3.17 mm (1/8 in).
Nota general de unidades de medida
Se debe colocar en el plano una nota general indicando las unidades de las dimensiones de las cotas. Esto con el propósito de evitar repetir unidades en cada cota.

Figura 2. Notas generales y cajetín.
Acotación de ángulos
Se les indica en grados o mediante dos dimensiones.

Acotación de arcos
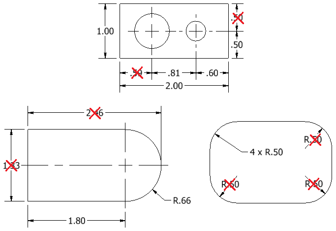
Los arcos se acotan en las vistas en las que aparecen en su forma real dando el radio. La letra R, para radio, se coloca siempre antes de la cifra.

Redondeos y filetes
Si todos los redondeos o filetes son de tamaño uniforme, se pueden omitir las dimensiones y se puede añadir una nota general en el dibujo como sigue:
TODOS LOS REDONDEOS Y FILETES R0.25
Colocación de cotas de dimensión
Las cotas menores se colocan más cerca del objeto y alineadas en forma de cadena. Es innecesaria una cadena de cotas completa de extremo a extremo. La cota de la dimensión total se coloca siempre más retirada de la vista. Es una mala práctica cruzar líneas de dimensión con líneas de extensión. También es mala práctica colocar una línea de dimensión que coincida con una línea de contorno del dibujo o que se una de extremo a extremo con una línea del mismo. Evítese colocar cotas de dimensión en el interior de una vista, a menos que se consiga con ello alguna ventaja. Como regla general, nunca se debe colocar una cota de dimensión dentro de (sobre) una vista, a menos que con ello se gane algo en claridad o rectitud. Evítese colocar acotaciones de manera que las líneas de extensión crucen innecesariamente las líneas del dibujo.

Colocación de líneas de extensión
Las líneas de extensión se pueden cruzar libremente unas a otras. Nunca se las debe acortar, es decir, siempre se extienden hasta casi tocar el contorno de la vista. En muchos casos, las líneas de extensión deben cruzar a las líneas del dibujo.

Espaciado entre líneas de dimensión
Debe espaciar las líneas de dimensión una distancia mínima de 10 mm (3/8 in) desde el objeto (el contorno de la vista) y separadas entre sí 6.35 mm (1/4 in).

Cotas de localización y de tamaño
Las cotas de localización se utilizan para ubicar formas geométricas con respecto a otras. Las formas rectangulares se localizan de superficie a superficie, mientras que las formas circulares se localizan desde sus líneas de centro. Las acotaciones de localización para los agujeros se deben dar en la vista circular de los agujeros, es decir, en donde estos se observan como una circunferencia en su forma verdadera. Por otro lado, las cotas de tamaño definen las dimensiones de la forma geométrica. Para el caso del rectángulo en la imagen de abajo, son dos, ancho y alto, pero si se trata de una circunferencia, corresponde al diámetro.

Si los agujeros están igualmente espaciados sobre un centro común se debe indicar el diámetro del círculo de centros y en una nota se da el espaciamiento igual. Si los agujeros no están igualmente espaciados, es necesario dar los ángulos que forman las líneas de centro de los agujeros.

Cotas superfluas
Antes de dar cualquier dimensión, preguntarse: ¿la cota se necesita realmente? ¿Es el mejor medio para decir exactamente cómo se debe hacer la parte? Las cotas se deben dar en la forma más simple y directa y nunca se debe dar una dimensión más de una vez en la misma vista o en vistas diferentes. Evítese la duplicación. Si no es posible dar una razón definitiva para una cota, omitirla.

Notas generales
Las notas se deben rotular siempre sobre la hoja en forma horizontal. Hay dos clases de notas. Las notas generales y las notas locales. Las notas generales proporcionan información general sobre el dibujo en su conjunto. Por ejemplo:
- ACABADO EN TODAS LAS PARTES.
- REDONDEOS Y FILETES R 0.125.
- MATAR LOS CANTOS AGUDOS.
- MATAR ARISTAS AGUDAS.
Las notas generales como éstas deberán rotularse, cuando se disponga de espacio, en la parte inferior de la hoja. En los dibujos de máquinas, la tira del título llevará muchas notas generales, tales como material, número de piezas requeridas, tolerancias generales, etc. Observar la ubicación de las notas generales en un plano en la Figura 2.
Notas locales
Estas es aplican en operaciones específicas a ejecutar y se conectan mediante una línea de guía al punto apropiado del dibujo. Por ejemplo:
- TALADRAR A 1/4 - 2 AGUJEROS.
- CHAFLÁN DE 1/8 X 45°.
- MOLETEADO MEDIANO.

Orificios
Los orificios se especifican en los dibujos mediante símbolos o abreviaturas, pero se prefieren los símbolos. Un avellanado es una cavidad de lados angulares en donde va la cabeza de un tornillo, remache u otro objeto similar de cabeza plana. En ocasiones no se da ni la profundidad ni el espesor restante de la cara plana perforada (es la medida de 0.25 de la siguiente figura). De ser así, esto implica que el rondaneado es la profundidad mínima necesaria para limpiar la superficie al diámetro especificado.

Chaflanes
El proceso de achaflanar, es decir, cortar un fragmento interior o exterior, se hace para facilitar el ensamblaje. Normalmente los chaflanes se dimensionan dando su ángulo y su longitud linear.

Cuñas (chavetas) cuadradas
Una cuña es una pieza de acero que se encuentra en una ranura en un eje y extendiéndose en otra ranura en el cubo. La ranura en el eje se refiere a un asiento del cuñero, y la ranura en el cubo o la pieza circundante se refiere a un cuñero. Una cuña se usa para asegurar los engranes, poleas, manivelas, asas y piezas de máquinas similares en los ejes, tal que el movimiento de la pieza se transmite al eje, o el movimiento del eje a la pieza, sin desprendimiento. También la cuña puede actuar con una capacidad de seguridad; su tamaño es generalmente calculado tal que cuando la carga excesiva toma lugar, la cuña se cortará o romperá antes que la pieza o el eje se rompa o se deforme.
Si se poseen las dimensiones de la sección transversal de la cuña y el diámetro del eje se pueden calcular los demás parámetros para el dimensionamiento, tal como se indica a continuación:
$$ C=\text{Tolerancia para cuñas paralelas}=0.005~in=0.12~mm $$
$$ W = \text{ANCHO NOMINAL DE LA CUÑA (PULGADAS O MILÍMETROS)} $$
$$ T = \frac{D-\sqrt{D^2-W^2}}{2} $$
$$ S = D- \frac{H}{2} - T $$
$$ M = D-T+\frac{H}{2}+C $$

Comentarios potenciados por CComment