|
Todos los dibujos asociados con este artículo se pueden hallar en el siguiente archivo para descarga ---> |
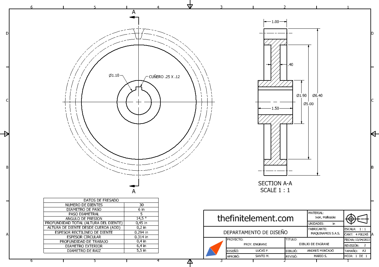
Dibujo_de_engrane_recto_V2022.zip |
TUTORIAL DIBUJO DE ENGRANES CON INVENTOR 2022
En este video se realiza el dibujo de un engrane en el entorno Ensamble usando el acelerador de componentes de Inventor. El engrane que se dibuja es un engrane de dientes rectos (Spur Gear). Se emplean varios comandos especiales para el dibujo del engrane, como son: - Export tooth shape en el entorno ensamble. - Get model sketches en el entorno de dibujo en el plano. También se utilizan iProperties de la parte para dibujar una tabla de datos de fresado y diligenciar el cuadro para título o cajetín adecuadamente y de forma automática. Se realiza también una vista seccionada del engranaje y se dibuja un alma, un cuñero y una maza. Todo el plano se realiza dibujando según orientaciones de la norma ANSI en pulgadas (in) y dibujos en el tercer ángulo diedro.
Los dibujos de trabajo de engranes rectos son relativamente simples. Generalmente consisten de dos vistas y una tabla de datos para el maquinado de los dientes. Como a los dientes se les da forma mediante fresadoras, no es necesario mostrar una vista detallada del perfil de los dientes ni tampoco una vista donde se observen todos ellos. La norma ANSI recomienda utilizar líneas fantasma para los círculos externos y de raíz y una línea de centro para el círculo primitivo. En la vista de corte, los círculos de raíz y externo se muestran como líneas continuas.

Las únicas diferencias en cuanto a terminología entre dibujos en engranes en pulgadas y en unidades métricas son los términos paso diametral y módulo.
PASO DIAMETRAL (engranes en pulgadas)
Para engranes en pulgadas se usa el término paso diametral en vez de módulo. El paso diametral es la relación del número de dientes a una longitud unitaria de diámetro de paso.
$$ \text{Paso diametral}=\frac{\text{Número de dientes}}{\text{Diámetro de paso}}=\frac{N}{PD} $$
MÓDULO (engranes en milímetros)
Es el término usado en engranes métricos. Es la longitud del diámetro de paso por diente medido en milímetros.
$$ \text{Módulo}=\frac{\text{Diámetro de paso}}{\text{Número de dientes}}=\frac{PD}{N} $$
De estas definiciones se desprende que el módulo es igual al recíproco del paso diametral y por lo tanto no es su equivalente dimensional métrico. Si se conoce el paso diametral, se puede obtener el módulo (use las mismas unidades para este cálculo). A continuación (mire la tabla más abajo) se resumen algunas (faltan varias) definiciones y fórmulas de engranes rectos para ángulos de presión de 14.5 o 20 grados. Por favor tomarla sólo como referencia. Para mayor confiabilidad en los datos y definiciones consultar bibliografía especializada en el tema.

Imagen tomada del sitio web de Autodesk: Engineer´s handbook | Inventor 2022.


Imagenes tomadas de Preview en el generador de engranes de Inventor.


La siguiente tabla toma como referencia el texto Dibujo y Diseño en Ingeniería de Jensen, Helsel & Short, McGraw-Hill, 6a edición.
| Término y símbolo | Definición | Engranes métricos | Engranes en pulgadas | |
| 1. | Diámetro de paso-PD (Pitch Diameter). Letra d en la imagen. | Diámetro de un círculo imaginario en el cual se diseñan los dientes de un engrane. | PD=MDL*N | PD=N/DP |
| 2. | Número de dientes-N | Número de dientes del engrane. | Despejar de 1. | Despejar de 1. |
| 3. | Módulo-MDL | Longitud del diámetro de paso por diente. | Despejar de 1. MDL=1/DP (DP en mm). | No aplica (se usa sólo cuando se trabajan engranes en unidades métricas). |
| 4. | Paso diametral-DP (Diametral Pitch) | Relación igual al número de dientes de un engrane por cada pulgada de diámetro de paso. | No aplica (se usa sólo cuando se trabajan engranes en pulgadas). | Despejar de 1. DP=1/MDL (MDL en in). |
| 5. | Altura de la cabeza del diente-ADD (Addendum). Es ha en la imagen. | Distancia radial del círculo de paso a la parte superior del diente. | ADD=MDL | ADD=1/DP |
| 6. | Diámetro externo-OD. Es da en la imagen. | Diámetro total del engrane. | OD=PD+2*ADD=PD+2*MDL | OD=PD+2*ADD=(N+2)/DP |
| 7. | Diámetro de raíz-RD. Es df en la imagen. | Diámetro en la parte inferior del diente. | RD=PD-2*DED | RD=PD-2*DED |
| 8. | Profundidad de trabajo-WD | Profundidad de endentación de dos engranes. Suma de dos alturas de cabeza. | WD=2*ADD | WD=2*ADD |
| 9. | Ángulo de presión-PA. Es \(\alpha\) en la imagen. | Ángulo entre la dirección de presión de dientes en contacto y una línea tangente al círculo primitivo. | 14.5° o 20° |
14.5° o 20° |
| 10. | Distancia entre centros-DC | Distancia entre los ejes de los dos engranes. Se halla sumando los diámetros de paso (PD) de ambos engranes y dividiendo entre dos. | DC=(PD1+PD2)/2 |
DC=(PD1+PD2)/2 |
| 11. | Relación de transmisión-REL | Razón de valor más grande sobre más pequeño entre RPM, número de dientes o diámetros de paso de ambos engranes. | REL=RPM1/RPM2=N1/N2=PD1/PD2 |
REL=RPM1/RPM2=N1/N2=PD1/PD2 |
| 12. | Altura del diente-H. Es h en la imagen. | Distancia radial entre la raíz y la parte externa del diente. | H=(OD-RD)/2 |
H=(OD-RD)/2 |
Los módulos estándar para engranes métricos son 0.8, 1, 1.25, 1.5, 2.25, 3, 4, 6, 7, 8, 9, 10, 12 y 16 mm.
DIBUJO DE TRABAJO DE UN ENGRANE RECTO
Los siguientes son datos de fresado típicos para el maquinado de un engrane recto (ver tabla en imagen al inicio de este artículo):
- Número de dientes.
- Diámetro de paso.
- Módulo (si el engrane se halla en unidades métricas).
- Paso diametral (si el engrane se halla en unidades inglesas-pulgadas).
- Ángulo de presión.
- Profundidad total.
- Altura de diente desde cuerda.
- Espesor rectilíneo del diente.
- Espesor circular.
- Profundidad de trabajo.
- Diámetro de raíz.
- Diámetro externo.
- Altura del diente.
EJEMPLOS DE ENGRANES RECTOS SIMPLES EN PULGADAS
Use estos engranes individualmente para practicar su dibujo CAD y en el plano.
| Parámetro | Engrane 1 | Engrane 2 |
| Forma del diente | 14.5° | 20° |
| Diámetro de paso-PD | 6 in | - |
| Número de dientes | - | 50 |
| Paso diametral-DP | 5 | 5 |
| Ancho de cara | 1.00 in | 1.75 in |
| Espesor del alma | 0.4 in | - |
| Diámetro del eje | 1.1 in | 1.75 in |
| Maza | Diametro 1.9 x 1.5 longitud. | Diámetro 3 x 2.75 longitud. |
| Rayos | - | 0.6 in de espesor, 1.5 in de ancho, ahusados a 1.1 de ancho. |
| Material | Hierro maleable. | MI. |
EJEMPLOS DE ENGRANES RECTOS SIMPLES EN MILÍMETROS
Use estos engranes individualmente para practicar su dibujo CAD y en el plano.
| Parámetro | Engrane 1 | Engrane 2 |
| Forma del diente | 14.5° | 20° |
| Diámetro de paso-PD | 127 mm | - |
| Módulo | 6.35 mm | 6.35 mm |
| Número de dientes | - | 44 |
| Paso diametral-DP | - | - |
| Ancho de cara | 26 mm | 46 mm |
| Espesor del alma | 10 mm | - |
| Diámetro del eje | 28 mm | 45 mm |
| Maza | Diámetro 50 x 40 longitud | Diámetro 76 x 70.6 longitud |
| Rayos | - | 6 rayos de espesor 16 mm, 40 mm ancho, ahusados a 30 mm de ancho. |
| Material | Hierro maleable | Hierro maleable |
EJEMPLOS DE ENGRANES RECTOS ENDENTADOS EN PULGADAS
Use estos sistemas de engranes para practicar su dibujo CAD y en el plano.
| Parámetro | Piñón | Engrane |
| Forma del diente | 14.5° | 14.5° |
| Diámetro de paso-PD | - | - |
| Módulo | - | - |
| Número de dientes | 24 | 36 |
| Paso diametral-DP | - | - |
| Ancho de cara | - | 1.1 in |
| Espesor del alma | - | 0.4 in |
| Diámetro del eje | 1.1 in | 1.25 in |
| Maza | - | Diámetro 2.1 x 1.5 in long. |
| Rayos | - | - |
| Material | Acero | Hierro maleable |
| Distancia entre centros | 6 in | 6 in |
EJEMPLOS DE ENGRANES RECTOS ENDENTADOS EN MILÍMETROS
Use estos sistemas de engranes para practicar su dibujo CAD y en el plano.
| Parámetro | Piñón | Engrane |
| Forma del diente | 14.5° | 14.5° |
| Diámetro de paso-PD | - | - |
| Módulo | - | - |
| Número de dientes | 16 | 24 |
| Paso diametral-DP | - | - |
| Ancho de cara | - | 30 mm |
| Espesor del alma | - | 10 mm |
| Diámetro del eje | 30 mm | 32 mm |
| Maza | - | Diámetro 54 x 38 mm long. |
| Rayos | - | - |
| Material | Acero | Hierro maleable |
| Distancia entre centros | 127 mm | 127 mm |
DIBUJO DE ENGRANES RECTOS EN AUTODESK INVENTOR PROFESSIONAL
A continuación se mostrará la forma de realizar un plano básico de un engrane recto, desde su dibujo 3D hasta su dibujo en el plano con cotas y demás.
- PASO 1: DIBUJAR EL ENGRANE USANDO EL ACELERADOR DE COMPONENTES DE INVENTOR.
El engrane o tren de engranes se dibujará usando el acelerador de componentes de la pestaña Diseño en el entorno Ensamble (archivo .iam).

- PASO 2: EXPORTAR PIEZA CON FORMA DE DIENTE EN BOCETO.
En el arbol del modelo (model Browser) de la izquierda, buscar el tren de engranes generado usando el acelerador de componentes, luego ubicar el engrane que desea exportar y dele clic derecho y luego "Export tooth shape". Seleccione el componente correspondiente (piñón o rueda) y luego dé clic en OK. Se abrirá una ventana de un cilindro que representa el engrane, el cual contiene un boceto con la forma de un solo diente (útil para el dibujo en el plano). Guarde la pieza. Ésta será ahora su pieza de trabajo. Puede modificarla a su antojo y obtener de ella una vista simplificada del engrane (sin dientes, sólo un perfil de diente y líneas que representan diámetro externo, diámetro de paso y díametro de raíz).

- PASO 3: AGREGUE PARÁMETROS A LA PIEZA.
Al exportar, Inventor genera una lista de parámetros propios del engrane. Si falta alguno que sea importante para la lista de datos de fresado, inclúyalo en función de otros que si estén en la lista de parámetros. Cuidado con las unidades. Si estas no están bien escritas lo más probable es que los cálculos resulten incorrectos.

- PASO 4: AGREGUE UNA NUEVA REGLA PARA EL ENGRANE.
En la pestaña System, expanda "iProperties" (izquierda). Dé doble clic en "Custom". Aparecerá una línea de código en el espacio en blanco. Cambie el nombre de la propiedad "PropertyName" uno por uno para cada parámetro que quiera trasladar a las iProperties. Iguale cada línea a su respectivo parámetro. Quedará algo así:
iProperties.Value("Custom", "Module") = ModuleiProperties.Value("Custom", "NumberOfTeeth") = NumberOfTeeth
iProperties.Value("Custom", "PitchDiameter") = PitchDiameter
iProperties.Value("Custom", "TeethHeight") = TeethHeight
iProperties.Value("Custom", "RootDiameter") = RootDiameter
iProperties.Value("Custom", "HeadDiameter") = HeadDiameter
iProperties.Value("Custom", "PressureAngle") = PressureAngle
Lo que se hizo fue crear propiedades personalizadas, una por cada parámetro de la tabla de datos de fresado (arriba no están todos, es sólo un ejemplo).

- PASO 5: MOSTRAR BOCETOS DEL MODELO.
Crear una vista en el entorno plano (extensión .idw) del engrane (de la parte .ipt, no del ensamble) donde se observe de frente el engrane (como una circunferencia). Ubique el dibujo de la vista en el arbol de la izquierda (en el Browser), clic en más, luego clic derecho a la pieza .ipt del engrane. Luego clic en "Get Model Sketches". El perfil del diente del engrane y líneas que representan diámetros aparecerán. Cambie los tipos de línea. Use líneas ocultas para los diámetros de raíz y externo, y línea de eje para el diámetro de paso.

- PASO 6: CREAR TABLA DE DATOS DE FRESADO COMO SÍMBOLO
Expanda el icono de la biblioteca de símbolos "Drawing resources". En "Sketched Symbol" dé clic derecho y defina un nuevo símbolo, el cual será una tabla con los datos de fresado. Todas las "iProperties" estarán disponibles para que sean insertadas usando el comando Texto, al seleccionarlas e insertarlas. Ver "Custom Properties - Model" en el menú "Type".

- PASO 7: INSERTAR LA TABLA CREADA COMO SÍMBOLO.
Inserte la tabla buscando en el menú de símbolos del archivo vía "Insert Sketched Symbol".
CUÑAS O CHAVETAS CUADRADAS
Use el siguiente vínculo para leer un poco más acerca de las cuñas de este tipo: sobre las cuñas cuadradas. Use las siguientes tablas para seleccionar el tamaño adecuado de una cuña cuadrada en función del diámetro del eje.
| SISTEMA INGLÉS (PULGADAS) | ||
| Diámetro del eje | Tamaño nominal | |
| Desde | Hasta | W (ancho) y H (alto) (ambos) |
| .500 | .562 | .125 |
| .625 | .875 | .188 |
| .938 | 1.250 | .250 |
| 1.312 | 1.375 | .312 |
| 1.438 | 1.750 | .375 |
| 1.812 | 2.250 | .500 |
| 2.375 | 2.750 | .625 |
| 2.875 | 3.250 | .750 |
| 3.375 | 3.750 | .875 |
| 3.875 | 4.500 | 1.000 |
| SISTEMA MÉTRICO (MILÍMETROS) | ||
| Diámetro del eje | Tamaño nominal | |
| Desde | Hasta | W (ancho) y H (alto) (ambos) |
| 6 | 8 | 2 |
| 8 | 10 | 3 |
| 10 | 12 | 4 |
| 12 | 17 | 5 |
| 17 | 22 | 6 |
| 22 | 30 | 7 |
| 30 | 38 | 8 |
| 38 | 44 | 9 |
| 44 | 50 | 10 |
| 50 | 58 | 12 |
Comentarios potenciados por CComment