DIBUJO DE EJES
Algunas características del dibujo de ejes para tener en cuenta son:
- La vista principal es una vista donde el eje se observa con su longitud horizontal sobre la hoja.
- Se puede proporcionar una vista lateral para indicar diámetros, aunque no es la práctica más común (ver Figura 1).
- Se puede proporcionar una vista isométrica.
- En la vista principal se pueden incluir dibujos seccionados parciales para mostrar el detalle de agujeros o chaveteros (ranuras que albergarán chavetas para transmitir movimiento) que de otra forma se observarían representados por líneas ocultas. Ver Figuras 1, 2, 4, 8, 10 y 11.
- Si el eje posee chaveteros, éstos se suelen dimensionar usando una vista con la verdadera forma de la ranura en la vista principal (ver Figuras 2, 3, 5, 6 y 9) y dibujos seccionados para mostrar las dimensiones de la sección transversal (ver Figuras 2, 3, 5, 6, 9, 11).
- En todos los dibujos de ejes se suelen incluir los símbolos y dimensiones de los acabados superficiales.
A continuación se proporcionan ejemplos de dibujo de ejes. Todos se hallan dibujados acorde con la norma de dibujo europea ISO, donde las vistas se hallan en el sistema de representación de primer ángulo diedro o primer cuadrante y el acotado sigue la norma ISO (mm). Todos los dibujos presentados a continuación son propiedad de los autores del texto (Auria et al, 2000) cuya referencia bibliográfica se halla al final de esta página.
Figura 1. Eje con rosca y sección parcial dibujado con norma ISO primer cuadrante y unidades en mm. Imagen tomada de (Auria et al, 2000).
Figura 2. Eje con secciones y vista detallada dibujado bajo norma ISO primer cuadrante y unidades en mm. Imagen tomada de (Auria et al, 2000).
Figura 3. Eje con sección dibujado bajo norma ISO primer cuadrante y unidades en mm. Imagen tomada de (Auria et al, 2000).
Figura 4. Eje con sección parcial detallada dibujado bajo norma ISO primer cuadrante y unidades en mm. Imagen tomada de (Auria et al, 2000).
Figura 5. Eje con dos secciones para mostrar detalles de chaveteros dibujado bajo norma ISO primer cuadrante y unidades en mm. Imagen tomada de (Auria et al, 2000).
Figura 6. Eje roscado en extremos dibujado bajo norma ISO primer cuadrante y unidades en mm. Imagen tomada de (Auria et al, 2000).
Figura 7. Eje roscado en extremos dibujado bajo norma ISO primer cuadrante y unidades en mm. Imagen tomada de (Auria et al, 2000).
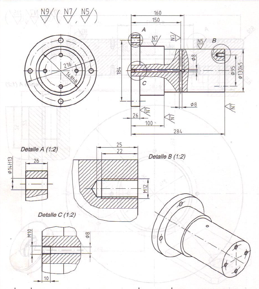
Figura 8. Eje con agujero roscado dibujado bajo norma ISO primer cuadrante y unidades en mm. Imagen tomada de (Auria et al, 2000).
Figura 9. Dibujo de eje con engrane y sección dibujado bajo norma ISO primer cuadrante y unidades en mm. Imagen tomada de (Auria et al, 2000).
Figura 10. Dibujo de eje con vistas seccionadas parciales dibujado bajo norma ISO primer cuadrante y unidades en mm. Imagen tomada de (Auria et al, 2000).
Figura 11. Dibujo de eje roscado con sección parcial dibujado bajo norma ISO primer cuadrante y unidades en mm. Imagen tomada de (Auria et al, 2000).
REFERENCIA BIBLIOGRÁFICA
AURIA Apilluelo, José M. Ibáñez, P. Ubieto, P. Dibujo industrial. Conjuntos y despieces. Paraninfo. Thomson Learning. Madrid, España. 2000.











Comentarios potenciados por CComment